



















Kitul XS5 este o solutie completa si fiabila pentru realizarea portilor autoportante usoare, proiectat pentru functionare sigura, lina si durabila in timp.
Toate componentele sunt dimensionate pentru a sustine porti cu greutatea de pana la 350 kg, oferind stabilitate si performanta constanta in exploatare.
Kitul este livrat complet echipat, incluzand 5.8 metri de sina pentru poarta autoportanta, pregatit pentru instalare rapida si sigura.
Continut kit:
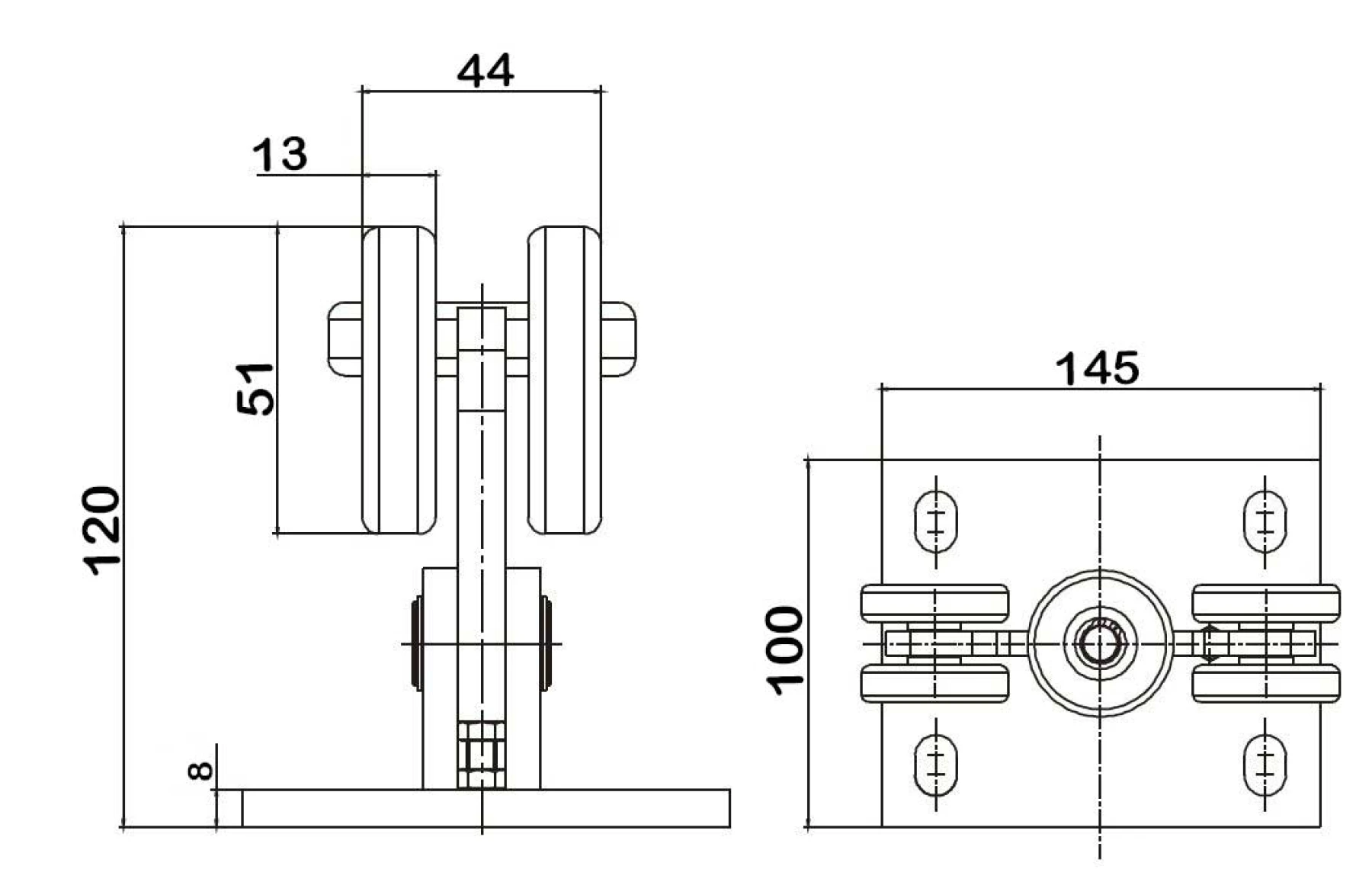
2 carucioare, pentru sustinere optima si rulare stabila
1 sina 25-230/XS – 5.8 metri
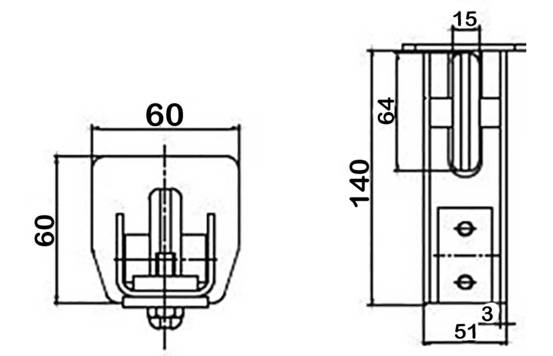
1 opritor cu rulment capat, pentru ghidare corecta la inchidere
1 opritor capat, pentru limitarea cursei
1 capac sina, pentru protectie si finisaj
Caracteristici principale:
Capacitate maxima sustinuta: 350 kg
Miscare lina si silentioasa
Componente zincate termic (cu exceptia capacului) pentru rezistenta ridicata la coroziune
Constructie eficienta, destinata utilizarii rezidentiale
Observatie:
Rolele de ghidaj se achizitioneaza separat.